DISEÑO VALLA PRINCIPAL EN FACHADA VIVIENDA.
DISEÑO VALLA PRINCIPAL EN FACHADA VIVIENDA.
por MANUEL UREBA. INTERIORISTA. @manuelureba
- 152
- 1
- 0
AÑO 2004. DISEÑO Y DIRECCIÓN DE OBRA.
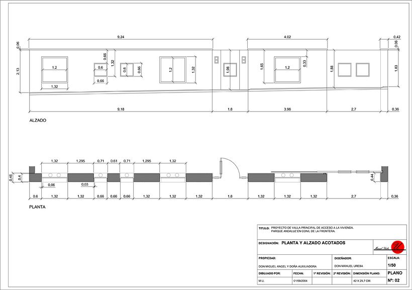
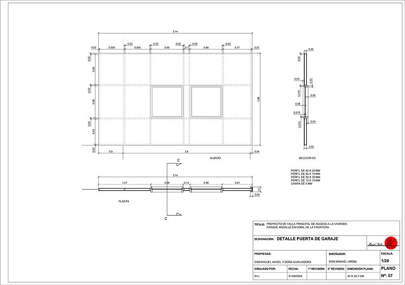
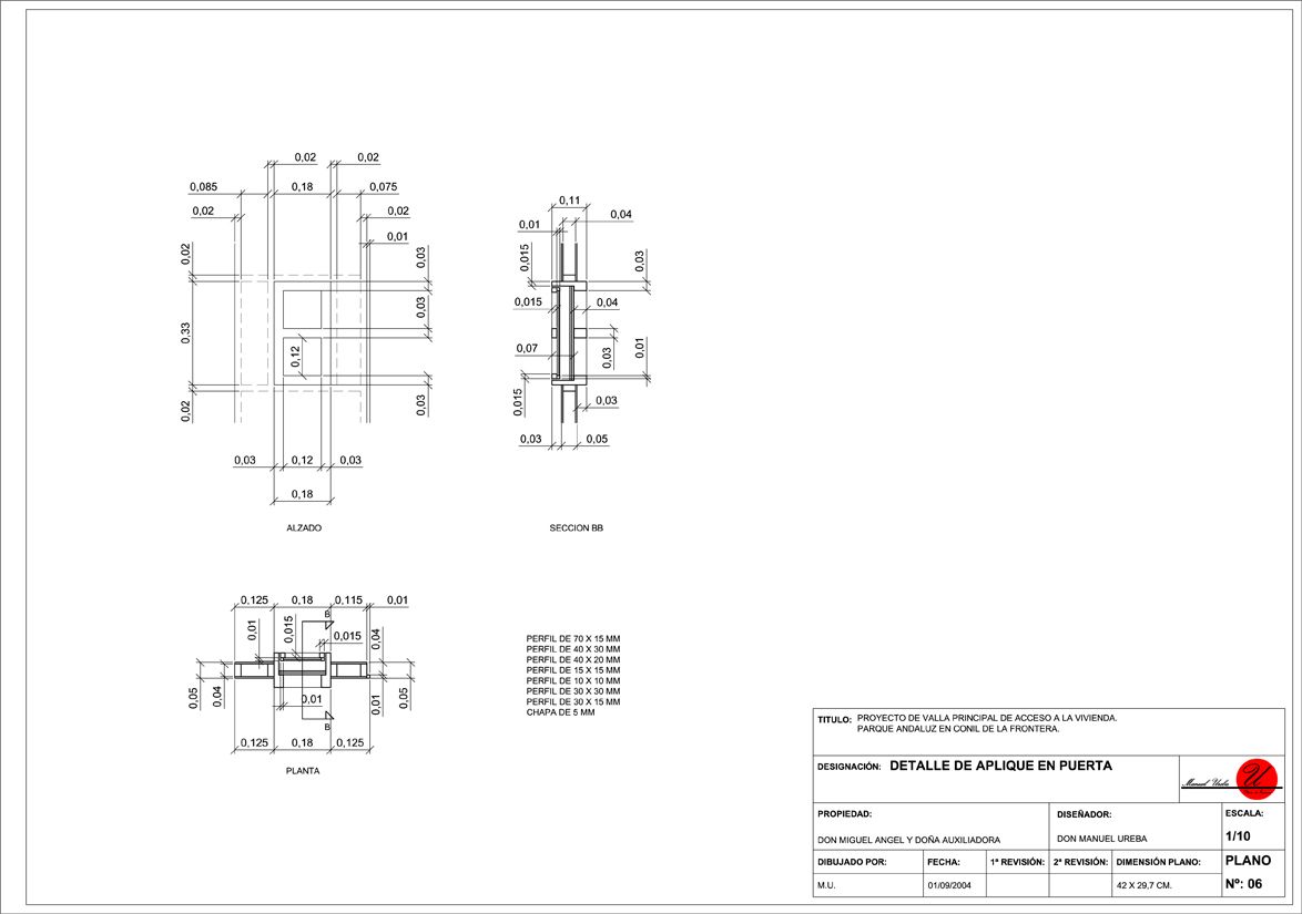
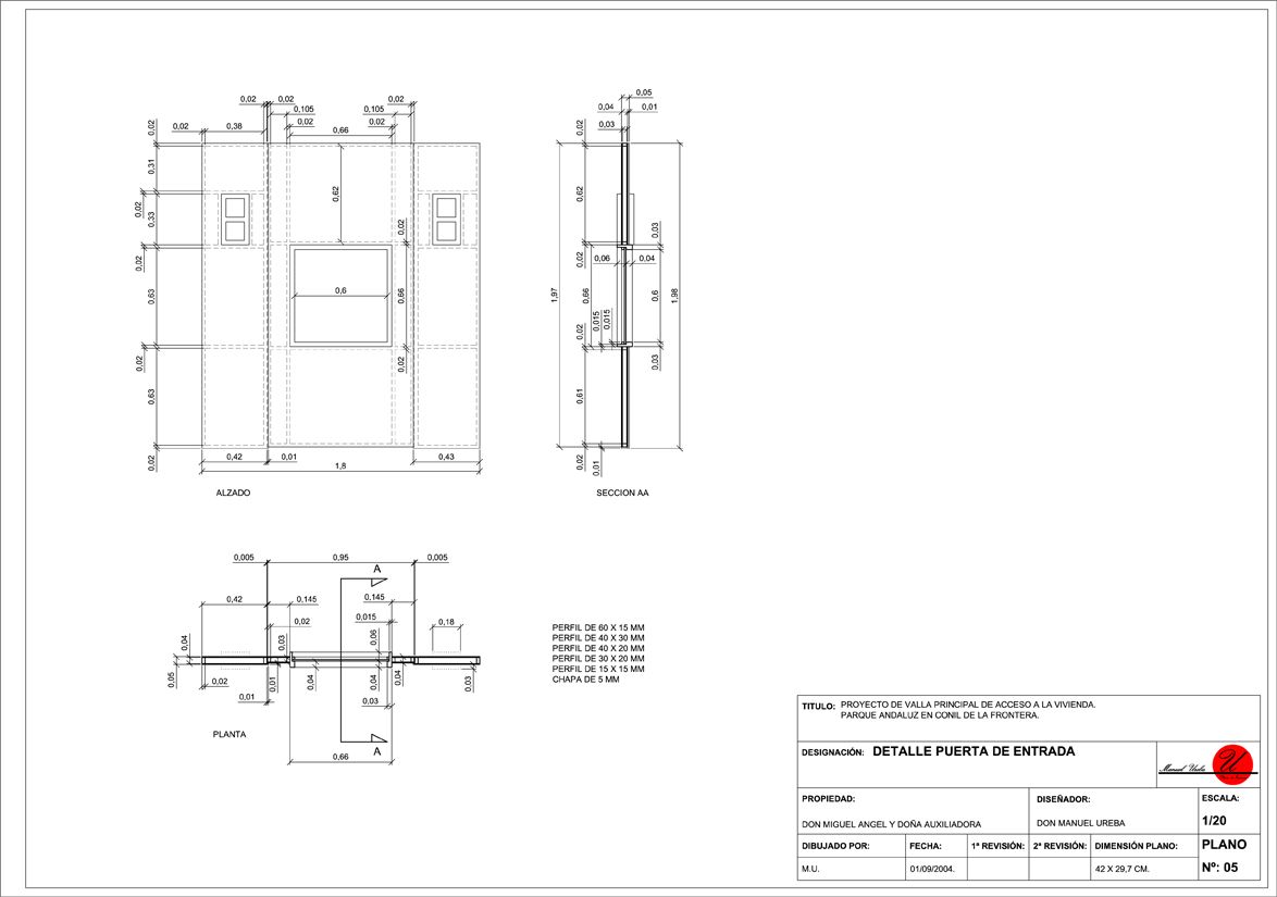
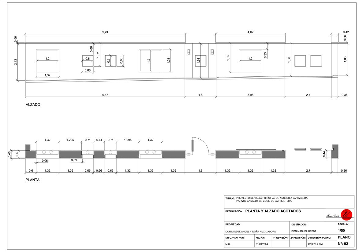
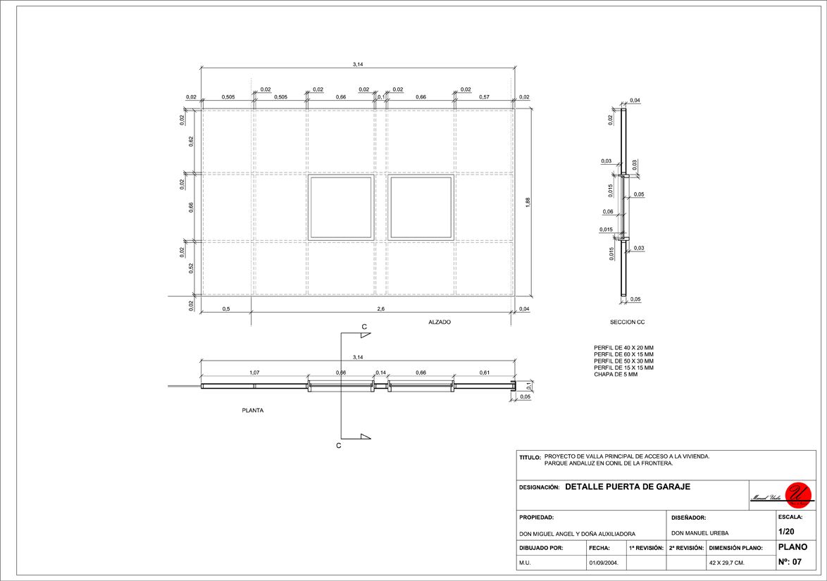
Diseño de valla principal en fachada que da acceso a vivienda.
C/ Alcornocales nº 7. Urbanización Parque Andaluz. Conil de la Frontera.
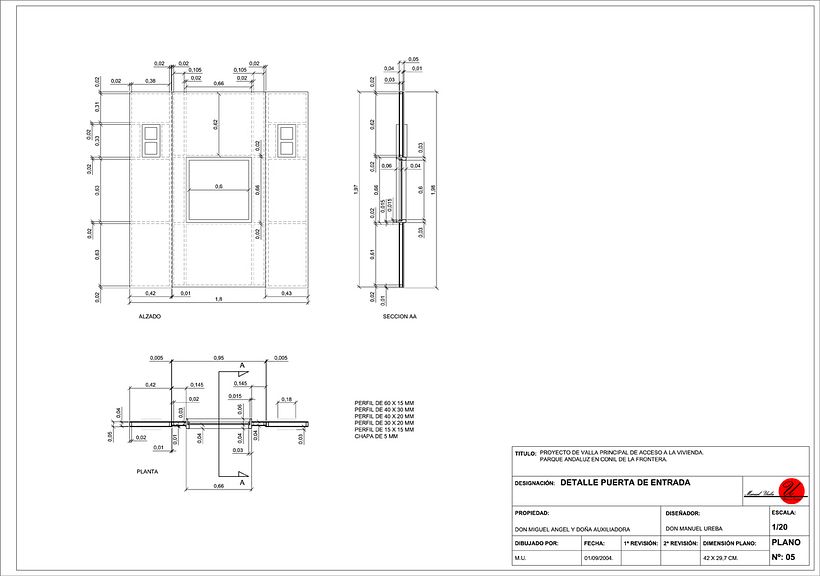
EN ESTE PROYECTO ME ENCONTRÉ LA VIVIENDA CONSTRUIDA, POR LO QUE SE HIZO UN DISEÑO ACORDE A LA CONSTRUCCIÓN EXISTENTE. DICHO DISEÑO SE CONSTRUYÓ MEDIANTE UN MURO CORRIDO CON DOS PUERTAS DE ACCESO, UNA PARA LA VIVIENDA Y LA OTRA PARA LA BAJADA AL GARAJE.
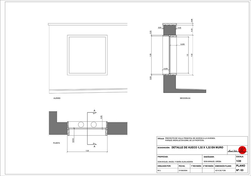
EN EL MURO CORRIDO SE ABRIERON ADEMÁS UN CONJUNTO DE HORNACINAS ACRISTALADAS QUE POR LA NOCHE SE ILUMINAN PRODUCIENDO UNA LUZ TENUE Y SUFICIENTE PARA EL TRÁNSITO.









PROYECTO GRÁFICO











0 comentarios
Entra o únete Gratis para comentar